Flange Globe Valve 900~1500Lb Pn16.0~25.0MPa

Product Detail

Feature

1.Design and manufacture: ASME/ANSI B16,34;API 600; GB/T 12224;GB/T12228;GB/T12235
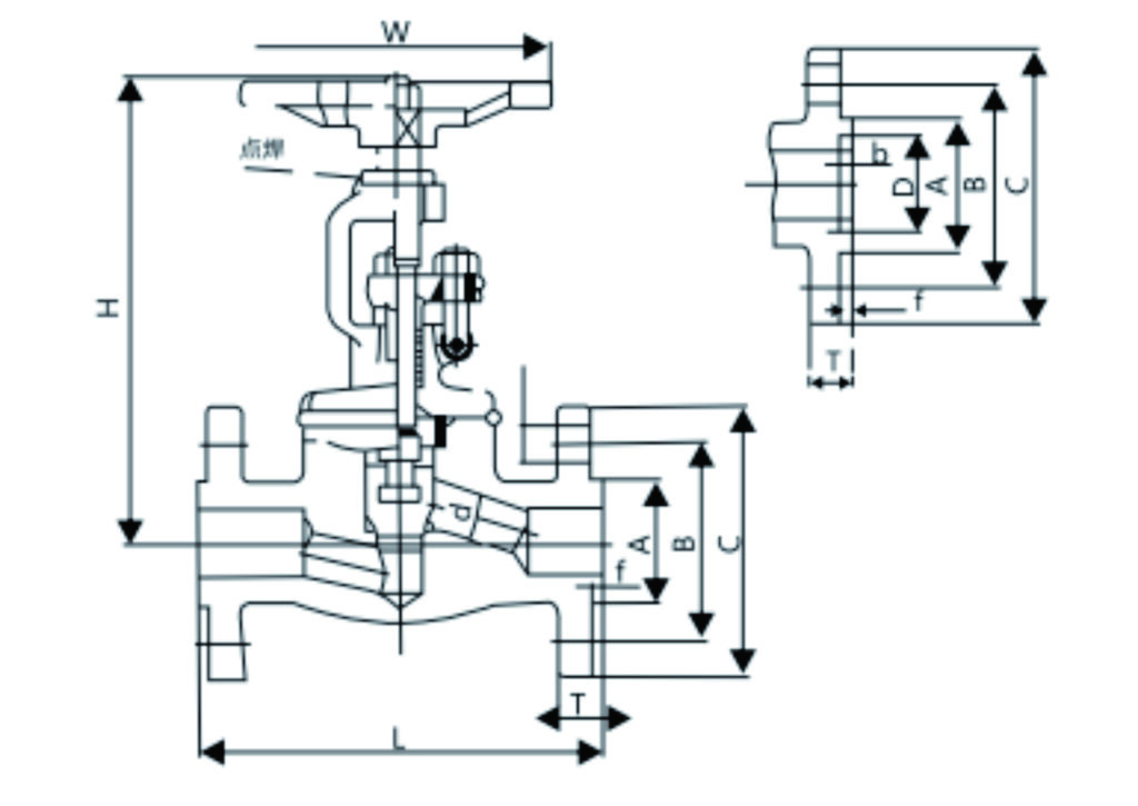
2.Face to face:ASME/ANSI B16.5;JB/T96-95
3.Dimension of flange: ASME/ANSI B16.10; JB/T82.1~82.4-94
4.Structurall feature:B.B or W.B;OS&Y-fu port(F.P)
5.Sealing accessory material:according to “ordering guide”.
6.Body material:A105;LF2;F5;F11;F22;F304; F316;F304L;F316L.
7.Valve inspection and test according to API 598 or GB/T 13927