Manual Soft-back Butterfly Valve WD71X

Product Detail

 Feature

  1. Small in size and light in weight. Easy installation and maintenance. It can be mounted wherever needed.
  2. Simple and compact construction, quick 90 degrees on-off operation.
  3. Minimized operating torque, energy saving.
  4. Flow curve tending to straight line. Excellent regulation performance.
  5. Long service life. Standing the test of tens of thousands opening/closing operations.
  6. Bubbles-tight sealing with no leakage under the pressure test.
  7. Wide selection of materials, applicable for various medium.

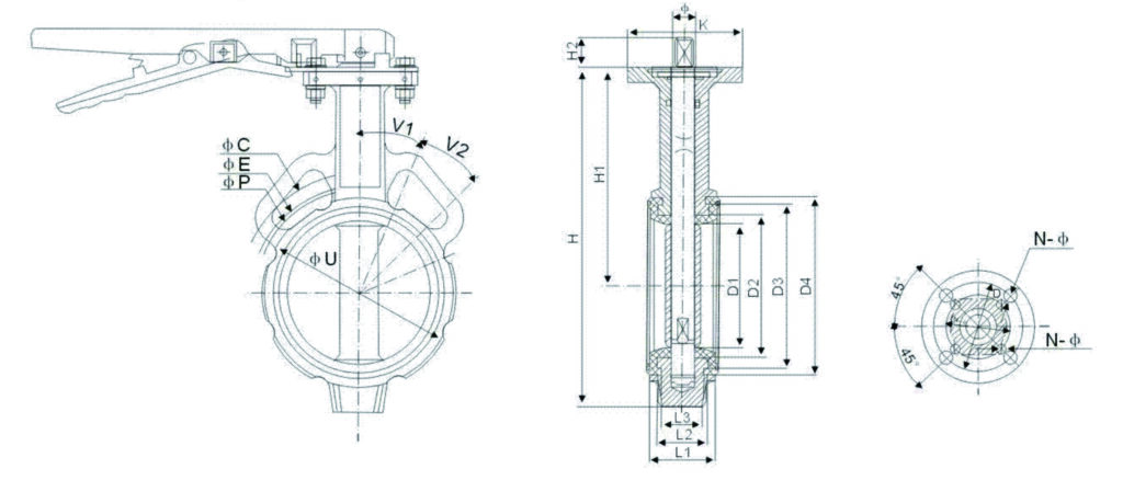
Dimension