In the fluid medium conveying pipeline, the ball valve is an effective and necessary shut-off device. In order to remove impurities and dirt in the fluid medium and keep the conveying pipeline clean and unobstructed, the installation of a filter in the conveying pipeline is an important equipment that is indispensable for improving the fluid quality. The installation of filters and ball valves in the existing conveying pipeline is often subject to conditional restrictions due to the large space occupied, and the filter is difficult to disassemble and clean.
The utility model of a self-filtering welded ball valve solves the problems of installation conditions and cleaning difficulties during maintenance of existing filters in pipelines. It has a reasonable design, compact structure, flexible and labor-saving operation, and is very convenient for installation and maintenance. It significantly reduces the occupied space, reduces costs, and is conducive to widespread promotion and application.
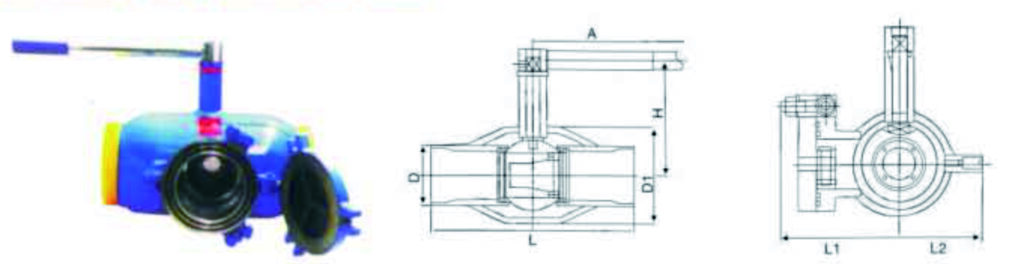
When the self-filtering welded ball valve is in the open state, the fluid medium can be filtered by the filter screen provided by itself when the fluid medium passes through the through-hole cavity of the ball. When the ball rotates 90 degrees clockwise, the self-filtering welded ball valve is in the closed state, which serves to cut off the fluid medium in the conveying pipeline.
A connecting middle flange and a drain pipe connected to the cleaning water pipe are set on the side wall of the valve body. The filter can be cleaned conveniently and quickly by opening the middle flange cover and the drain pipe. An electric valve or a pneumatic valve can also be set on the drain pipe to realize automatic flushing of the filter. If the filter is damaged, the middle flange cover can be opened to replace it.






Wujudkan kebutuhan proyek Anda sekarang.
© Copyright – 2025 Indovalves : All Rights Reserved
WhatsApp us